- - Metric 60 series deep groove ball bearings
- - Metric 62 series deep groove ball bearings
- - Metric 63 series deep groove ball bearings
- - Metric 68 series deep groove ball bearings
- - Metric 69 series deep groove ball bearings
- - Non-standard ball bearings
- - Thrust ball bearings
- - Metric 16000 series deep groove ball bearings

Common Options
ZZ: Two Shields
2RS: Two Contact Seals
Metric 16000 series deep groove ball bearings
Any combination of closures is available
Basic |
Nominal Bearing Dimensions |
Basic Load |
Limiting Speeds |
Ball |
Bearing Weight |
|||||||||||
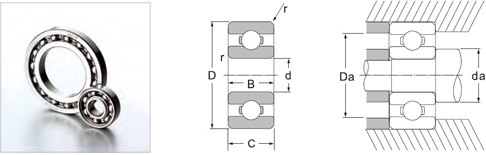
d |
D |
B,C |
Cr |
Cor |
Grease |
Oil |
No. |
Size |
Weight |
|||||||
mm |
inch |
mm |
inch |
mm |
inch |
Ibs |
kg |
|||||||||
16001 |
12 |
0.4724 |
28 |
1.1024 |
7 |
0.2775 |
5.100 |
2.400 |
26000 |
30000 |
8 |
4.763 |
0.0418 |
0.0190 |
||
16002 |
15 |
0.5906 |
32 |
1.2598 |
8 |
0.3150 |
5.850 |
2.850 |
22000 |
26000 |
9 |
4.763 |
0.0550 |
0.0250 |
||
16003 |
17 |
0.6693 |
35 |
1.3780 |
8 |
0.3150 |
6.000 |
3.240 |
20000 |
24000 |
10 |
4.763 |
0.0704 |
0.0320 |
||
16004 |
20 |
0.7874 |
42 |
1.6535 |
8 |
0.3150 |
6.350 |
3.740 |
18000 |
21000 |
10 |
5.556 |
0.1122 |
0.0510 |
||
16005 |
25 |
0.9843 |
47 |
1.8504 |
8 |
0.3150 |
6.960 |
4.590 |
15000 |
18000 |
12 |
5.556 |
0.1298 |
0.0590 |
||
16006 |
30 |
1.1811 |
55 |
2.1650 |
9 |
0.3543 |
11.240 |
7.380 |
13000 |
15000 |
12 |
6.350 |
0.2002 |
0.0910 |