- - Metric 60 series deep groove ball bearings
- - Metric 62 series deep groove ball bearings
- - Metric 63 series deep groove ball bearings
- - Metric 68 series deep groove ball bearings
- - Metric 69 series deep groove ball bearings
- - Non-standard ball bearings
- - Thrust ball bearings
- - Metric 16000 series deep groove ball bearings


Common Options
OPEN
ZZ: Two Shields
2RS: Two Contact Seals
Metric 69 series deep groove ball bearings
Any combination of closures is available
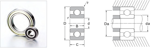
Basic |
Nominal Bearing Dimensions |
Basic Load |
Limiting Speeds |
Ball |
Bearing Weight |
|||||||||||
d |
D |
B,C |
Cr |
Cor |
Grease |
Oil |
No. |
Size |
Weight |
|||||||
mm |
inch |
mm |
inch |
mm |
inch |
Ibs |
kg |
|||||||||
693 |
3 |
0.1181 |
8 |
0.3150 |
3 |
0.1181 |
0.560 |
0.180 |
61000 |
68000 |
6 |
1.588 |
0.0013 |
0.0006 |
||
694 |
4 |
0.1575 |
11 |
0.4331 |
4 |
0.1575 |
0.715 |
0.276 |
50000 |
56000 |
7 |
2.000 |
0.0040 |
0.0018 |
||
695 |
5 |
0.1969 |
13 |
0.5118 |
4 |
0.1575 |
1.080 |
0.430 |
44000 |
51000 |
8 |
2.000 |
0.0053 |
0.0024 |
||
696 |
6 |
0.2362 |
15 |
0.5906 |
5 |
0.1969 |
1.350 |
0.530 |
40000 |
46000 |
8 |
2.381 |
0.0084 |
0.0038 |
||
697 |
7 |
0.2756 |
17 |
0.6693 |
5 |
0.1969 |
1.610 |
0.715 |
37000 |
43000 |
9 |
2.381 |
0.0114 |
0.0052 |
||
698 |
8 |
0.3150 |
19 |
0.7480 |
6 |
0.2362 |
1.990 |
0.865 |
37000 |
42000 |
7 |
3.500 |
0.0161 |
0.0073 |
||
699 |
9 |
0.3543 |
20 |
0.7874 |
6 |
0.2362 |
2.480 |
1.090 |
34000 |
40000 |
9 |
2.381 |
0.0180 |
0.0082 |
||
6900 |
10 |
0.3937 |
22 |
0.8661 |
6 |
0.2362 |
2.700 |
1.270 |
32000 |
38000 |
12 |
2.381 |
0.0198 |
0.0090 |
||
6901 |
12 |
0.4724 |
24 |
0.9449 |
6 |
0.2362 |
2.890 |
1.460 |
31000 |
36000 |
9 |
3.500 |
0.0242 |
0.0110 |
||
6902 |
15 |
0.5906 |
28 |
1.1024 |
7 |
0.2756 |
4.360 |
2.240 |
27000 |
31000 |
10 |
3.969 |
0.0352 |
0.0160 |
||
6903 |
17 |
0.6693 |
30 |
1.1811 |
7 |
0.2756 |
4.650 |
2.580 |
25000 |
29000 |
11 |
3.969 |
0.0396 |
0.0180 |
||
6904 |
20 |
0.7874 |
37 |
1.4567 |
9 |
0.3543 |
6.370 |
3.680 |
20000 |
24000 |
11 |
4.763 |
0.0792 |
0.0360 |
||
6905 |
25 |
0.9843 |
42 |
1.6535 |
9 |
0.3543 |
7.010 |
4.550 |
17000 |
21000 |
13 |
4.763 |
0.0924 |
0.0420 |