info@LSKD.com.cn |  Catalogue | EN * 中文 |   
   产品中心
产品中心 > 产品中心 > 轴承产品 > 公制16000系列深沟球轴承
公制16000系列深沟球轴承

一般选择 
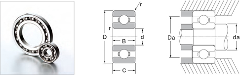
ZZ:双面 防尘盖
2RS:双面 接触密封圈 

公制16000系列深沟球轴承

适用所有密封结构

轴承
型号 

主要尺寸 

额定基本负荷 

极限转速 

装球数 

重量 

d 

D 

B,C 

Cr
KN

Cor 
KN


rpm


rpm

球数

尺寸
mm

Ibs

kg

mm

inch

mm

inch

mm

inch

16001 

12

0.4724

28

1.1024

7

0.2775

5.100

2.400

26000

30000

8

4.763

0.0418

0.0190

16002 

15

0.5906

32

1.2598

8

0.3150

5.850

2.850

22000

26000

9

4.763

0.0550

0.0250

16003 

17

0.6693

35

1.3780

8

0.3150

6.000

3.240

20000

24000

10

4.763

0.0704

0.0320

16004 

20

0.7874

42

1.6535

8

0.3150

6.350

3.740

18000

21000

10

5.556

0.1122

0.0510

16005 

25

0.9843

47

1.8504

8

0.3150

6.960

4.590

15000

18000

12

5.556

0.1298

0.0590

16006 

30

1.1811

55

2.1650

9

0.3543

11.240

7.380

13000

15000

12

6.350

0.2002

0.0910 

©2019 LSKD STEEL BALLS & BALL BEARINGS 鲁ICP备19025409号