一般选择
OPEN: 开式
ZZ:双面 防尘盖
2RS:双面 接触密封圈
公制62系列深沟球轴承
适用所有密封结构
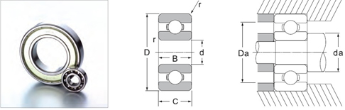
轴承 |
主要尺寸 |
额定基本负荷 |
极限转速 |
装球数 |
重量 |
|||||||||||||||
d |
D |
B,C |
Cr |
Cor |
脂 |
油 |
球数 |
尺寸 |
Ibs |
kg |
||||||||||
mm |
inch |
mm |
inch |
mm |
inch |
|||||||||||||||
624 |
4 |
0.1575 |
13 |
0.5118 |
5 |
0.1968 |
1.310 |
0.490 |
42000 |
50000 |
6 |
2.381 |
0.0106 |
0.0048 |
||||||
625 |
5 |
0.1969 |
13 |
0.6299 |
5 |
0.1968 |
1.760 |
0.680 |
37000 |
44000 |
6 |
3.175 |
0.0110 |
0.0050 |
||||||
626 |
6 |
0.2362 |
16 |
0.7480 |
6 |
0.2362 |
2.340 |
0.950 |
34000 |
41000 |
7 |
3.500 |
0.0176 |
0.0080 |
||||||
627 |
7 |
0.2756 |
22 |
0.8661 |
7 |
0.2756 |
3.450 |
1.400 |
32000 |
37000 |
7 |
3.969 |
0.0286 |
0.0130 |
||||||
628 |
5 |
0.3149 |
24 |
0.9448 |
8 |
0.3149 |
4.000 |
1.660 |
31000 |
36000 |
7 |
3.969 |
0.0374 |
0.0170 |
||||||
629 |
9 |
0.3543 |
26 |
1.0236 |
8 |
0.3149 |
4.750 |
1.960 |
27000 |
32000 |
7 |
4.763 |
0.0418 |
0.0190 |
||||||
6200 |
10 |
0.3937 |
30 |
1.1811 |
9 |
0.3543 |
5.400 |
2.390 |
25000 |
30000 |
8 |
4.763 |
0.0660 |
0.0300 |
||||||
6201 |
12 |
0.4724 |
32 |
1.2598 |
10 |
0.3937 |
7.280 |
3.100 |
23000 |
28000 |
7 |
5.953 |
0.0792 |
0.0360 |
||||||
6202 |
15 |
0.5906 |
35 |
1.3780 |
11 |
0.4331 |
7.640 |
3.720 |
20000 |
25000 |
8 |
5.953 |
0.1012 |
0.0460 |
||||||
6203 |
17 |
0.6693 |
40 |
1.5748 |
12 |
0.4724 |
9.570 |
4.790 |
18000 |
22000 |
8 |
6.747 |
0.1430 |
0.0650 |
||||||
6204 |
20 |
0.7874 |
47 |
1.8504 |
14 |
0.5512 |
12.840 |
6.650 |
16000 |
18000 |
8 |
7.938 |
0.2354 |
0.1070 |
||||||
6205 |
25 |
0.9843 |
52 |
2.0470 |
15 |
0.5906 |
14.020 |
7.880 |
13000 |
16000 |
9 |
7.938 |
0.2750 |
0.1250 |
||||||
6206 |
30 |
1.1811 |
62 |
2.4409 |
16 |
0.6299 |
19.800 |
12.800 |
12000 |
14000 |
9 |
9.525 |
0.4422 |
0.2010 |
||||||
6207 |
35 |
1.3780 |
72 |
2.8346 |
17 |
0.6693 |
27.060 |
15.330 |
10000 |
12000 |
8 |
12.000 |
0.6314 |
0.2870 |
||||||
6208 |
40 |
1.5748 |
80 |
3.1496 |
18 |
0.7087 |
29.520 |
18.140 |
8800 |
10000 |
9 |
12.000 |
0.8030 |
0.3650 |